CF flowswitches
The flowswitches type CF are valve body switches for minimum or maximum range alarm with one intervention point. They are suitable for all applications where there are working pressures up to 64 bar and temperatures up to 250° C. and they have to be mounted on horizontal pipelines. They can be constructed with threaded, flanged or welding connections, with carbon steel or stainless steel body. The electric part is contained in a weatherproof case made of diecasted aluminium with IP 65 protection (standard type) or in a flameproof case following EN 50.018 (CEI 31.1) - EEx-d IIB T6 or EEx-d IIC T6 (request type) with threaded electric connection 1/2” UNI 6125 F. The flowswitches type CF are supplied complete with switch groups on which only one SPDT contact is mounted. On request they can be supplied with two contacts in parallel.
Technical Specifications (below)
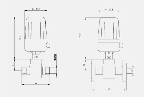
Threaded connections
Flanged connections
Tech Info
|
BODY |
Standard |
MAX. TEMPERATURE |
|
Carbon steel |
120° C. |
250° C. |
|
S/S AISI 304 |
120° C. |
250° C. |
|
S/S AISI 316 |
120° C. |
250° C. |
| TYPE | A | B | C | FLANGE DN |
H2O |
|||
|
FLANGED |
THREADED |
GAS |
NPT |
PN16 |
ANSI B16.5 |
|||
|
CF 15 |
180 |
142 |
55 |
1/2" |
1/2" |
15 |
1/2" |
1 |
|
CF 20 |
180 |
142 |
55 |
3/4" |
3/4" |
20 |
3/4" |
1 |
|
CF 25 |
180 |
142 |
55 |
1" |
1" |
25 |
1" |
1 |
|
CF 32 |
180 |
142 |
55 |
1" 1/4 |
1" 1/4 |
32 |
1" 1/4 |
1 |
|
CF 40 |
210 |
180 |
75 |
1" 1/2 |
1" 1/2 |
40 |
1" 1/2 |
2,7 |
|
CF 50 |
210 |
180 |
75 |
2" |
2" |
50 |
2" |
2,7 |
Download Area
Products Flowswitches
flowswitches
flowswitches
flowswitches
flowswitches




