RD differential pressure regulators
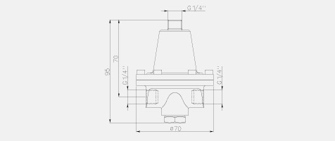
The differential pressure regulators type RD are instruments suitable for purge applications and for bubble level measurements coupled with flowmeters type RM and LB. They can be made of AISI 316, with ISO G 1/4”F, threaded connections and they can work with temperatures up to 200° C., pressures from 2 to 8 bar and differential pressure of 1 bar minimum.
Tech Info
| FEATURES | |
|
Working max. pressure |
from 2 bar to 8 bar |
|
Working max. temperature |
200° C. |
|
Differential pressure |
minimum 1 bar |
Image
Download Area
Download here below the product sheet of this product. You can find any other information and document here.
Products Miscellaneous
differential pressure regulators
